INICIO
INSTALACIONES
TELECOMUNICACIONES
SERVICIOS
CONSULTAS
VENTA Y RENTA
CONTACTO
PROYECTOS
Eléctricos
PROYECTOS
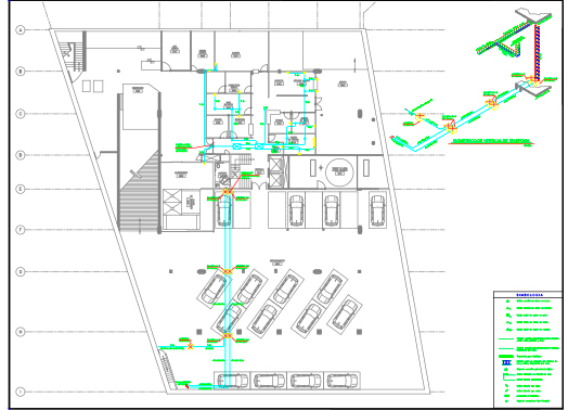
INSTALACIÓN ELÉCTRICA ALUMBRADO IE-A
INSTALACIÓN ELÉCTRICA CONTACTOS IE-C
INSTALACIÓN TELECOMUNICACIONES ITC
INSTALACIÓN CANALIZACIÓN VACÍAS I-CV
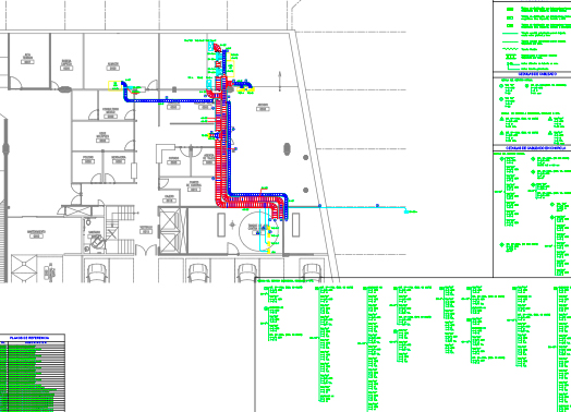
SISTEMAS GENERALES ALIMENTADORES SG-AL
SISTEMAS GENERALES
SUBESTACIÓN ELÉCTRICA SG-SE
SISTEMA GENERALES FUERZA SG-F
SISTEMAS GENERALES SISTEMA DE TIERRA SG-ST
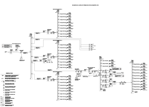
SISTEMAS GENERALES DIAGRAMA UNIFILAR SG-DU
SISTEMAS GENERALES DETALLADOS SG-D
SISTEMAS GENERALES CUADROS DE CARGA SG-CC
MEMORIA TÉCNICA DESCRIPTIVA Y DE CÁLCULO